BP

Energy saving sewage pumps equipped with open channel impeller and IE3 premium efficiency motor.

Dati tecnici
  • ø Bocca di scarico mm: 100 - 300
  • Tipo di fluido: Fognatura
  • Max. passaggio solidi mm: 45 - 110
  • Valore massimo del pH: 6-14
  • Portata massima l/min: 2150 - 35000
  • Prevalenza massima m: 10.10 - 40
  • Potenza motore kW: 3,0 - 132,0
  • Fase / Tensione: Trifase / 400V / 50Hz
Curva di prestazione
1 O
2 O
4 O
Specifiche
Model Colour code curve ø Bocca di scarico mm Tipo di fluido Max. passaggio solidi mm Valore massimo del pH Portata massima l/min Prevalenza massima m Potenza motore kW Fase / Tensione Monitoring
free standing with guide rail fitting
100BP43.0 -F170 TOS100BP43.0 -F170 1 100 Fognatura 45 6-14 3170 10.10 3,0 Trifase / 400V / 50Hz double leakage sensor (mechanical seals chamber and stator housing) 1 signal
100BP44.0 -F200 TOS100BP44.0 -F200 2 100 Fognatura 45 6-14 2250 14.70 4,0 Trifase / 400V / 50Hz double leakage sensor (mechanical seals chamber and stator housing) 1 signal
100BP45.5 -F230 TOS100BP45.5 -F230 3 100 Fognatura 45 6-14 2150 19.7 5,5 Trifase / 400V / 50Hz double leakage sensor (mechanical seals chamber and stator housing) 1 signal
100BP47.5 -F230 TOS100BP47.5 -F230 4 100 Fognatura 45 6-14 4300 20 7,5 Trifase / 400V / 50Hz double leakage sensor (mechanical seals chamber and stator housing) 1 signal
100BP411 -F260 TOS100BP411 -F260 5 100 Fognatura 45 6-14 4590 25.7 11,0 Trifase / 400V / 50Hz double leakage sensor (mechanical seals chamber and stator housing) 1 signal
150BP411 -G246 TOS150BP411 -G246 6 150 Fognatura 80 6-14 3930 15.60 11,0 Trifase / 400V / 50Hz double leakage sensor (mechanical seals chamber and stator housing) 1 signal
150BP418.5 -A270 TOS150BP418.5 -A270 7 150 Fognatura 80 6-14 8400 24,90 18,5 Trifase / 400V / 50Hz double leakage sensor (mechanical seals chamber and stator housing) 1 signal
150BP422 -F290 TOS150BP422 -F290 8 150 Fognatura 80 6-14 11000 28 22,0 Trifase / 400V / 50Hz double leakage sensor (mechanical seals chamber and stator housing) 1 signal
150BP430 -F315 TOS150BP430 -F315 9 150 Fognatura 80 6-14 12300 34.5 30,0 Trifase / 400V / 50Hz double leakage sensor (mechanical seals chamber and stator housing) 1 signal
200BP637 -C430 TOS200BP637 -C430 10 200 Fognatura 100 6-14 17700 24.8 37,0 Trifase / 400V / 50Hz double leakage sensor (mechanical seals chamber and stator housing) 1 signal
200BP645 -C460 TOS200BP645 -C460 11 200 Fognatura 100 6-14 18800 30 45,0 Trifase / 400V / 50Hz double leakage sensor (mechanical seals chamber and stator housing) 1 signal
300BP637 -B405 TOS300BP637 -B405 12 300 Fognatura 110 6-14 23400 21.3 37,0 Trifase / 400V / 50Hz double leakage sensor (mechanical seals chamber and stator housing) 1 signal
300BP645 -B435 TOS300BP645 -B435 13 300 Fognatura 110 6-14 25000 25.30 45,0 Trifase / 400V / 50Hz double leakage sensor (mechanical seals chamber and stator housing) 1 signal
300BP655 -B460 TOS300BP655 -B460 14 300 Fognatura 110 6-14 27000 28,80 55,0 Trifase / 400V / 50Hz double leakage sensor (mechanical seals chamber and stator housing) 1 signal
300BP690 -C477 TOS300BP690 -C477 15 300 Fognatura 110 6-14 33100 33 90,0 Trifase / 400V / 50Hz double leakage sensor (mechanical seals chamber and stator housing) 1 signal
300BP6132 -D520 TOS300BP6132 -D520 16 300 Fognatura 110 6-14 35000 40 132,0 Trifase / 400V / 50Hz double leakage sensor (mechanical seals chamber and stator housing) 1 signal
ø Bocca di scarico mm 100
Tipo di fluido Fognatura
Max. passaggio solidi mm 45
Valore massimo del pH 6-14
Portata massima l/min 3170
Prevalenza massima m 10.10
Potenza motore kW 3,0
Fase / Tensione Trifase / 400V / 50Hz
Monitoring double leakage sensor (mechanical seals chamber and stator housing) 1 signal
ø Bocca di scarico mm 100
Tipo di fluido Fognatura
Max. passaggio solidi mm 45
Valore massimo del pH 6-14
Portata massima l/min 2250
Prevalenza massima m 14.70
Potenza motore kW 4,0
Fase / Tensione Trifase / 400V / 50Hz
Monitoring double leakage sensor (mechanical seals chamber and stator housing) 1 signal
ø Bocca di scarico mm 100
Tipo di fluido Fognatura
Max. passaggio solidi mm 45
Valore massimo del pH 6-14
Portata massima l/min 2150
Prevalenza massima m 19.7
Potenza motore kW 5,5
Fase / Tensione Trifase / 400V / 50Hz
Monitoring double leakage sensor (mechanical seals chamber and stator housing) 1 signal
ø Bocca di scarico mm 100
Tipo di fluido Fognatura
Max. passaggio solidi mm 45
Valore massimo del pH 6-14
Portata massima l/min 4300
Prevalenza massima m 20
Potenza motore kW 7,5
Fase / Tensione Trifase / 400V / 50Hz
Monitoring double leakage sensor (mechanical seals chamber and stator housing) 1 signal
ø Bocca di scarico mm 100
Tipo di fluido Fognatura
Max. passaggio solidi mm 45
Valore massimo del pH 6-14
Portata massima l/min 4590
Prevalenza massima m 25.7
Potenza motore kW 11,0
Fase / Tensione Trifase / 400V / 50Hz
Monitoring double leakage sensor (mechanical seals chamber and stator housing) 1 signal
ø Bocca di scarico mm 150
Tipo di fluido Fognatura
Max. passaggio solidi mm 80
Valore massimo del pH 6-14
Portata massima l/min 3930
Prevalenza massima m 15.60
Potenza motore kW 11,0
Fase / Tensione Trifase / 400V / 50Hz
Monitoring double leakage sensor (mechanical seals chamber and stator housing) 1 signal
ø Bocca di scarico mm 150
Tipo di fluido Fognatura
Max. passaggio solidi mm 80
Valore massimo del pH 6-14
Portata massima l/min 8400
Prevalenza massima m 24,90
Potenza motore kW 18,5
Fase / Tensione Trifase / 400V / 50Hz
Monitoring double leakage sensor (mechanical seals chamber and stator housing) 1 signal
ø Bocca di scarico mm 150
Tipo di fluido Fognatura
Max. passaggio solidi mm 80
Valore massimo del pH 6-14
Portata massima l/min 11000
Prevalenza massima m 28
Potenza motore kW 22,0
Fase / Tensione Trifase / 400V / 50Hz
Monitoring double leakage sensor (mechanical seals chamber and stator housing) 1 signal
ø Bocca di scarico mm 150
Tipo di fluido Fognatura
Max. passaggio solidi mm 80
Valore massimo del pH 6-14
Portata massima l/min 12300
Prevalenza massima m 34.5
Potenza motore kW 30,0
Fase / Tensione Trifase / 400V / 50Hz
Monitoring double leakage sensor (mechanical seals chamber and stator housing) 1 signal
ø Bocca di scarico mm 200
Tipo di fluido Fognatura
Max. passaggio solidi mm 100
Valore massimo del pH 6-14
Portata massima l/min 17700
Prevalenza massima m 24.8
Potenza motore kW 37,0
Fase / Tensione Trifase / 400V / 50Hz
Monitoring double leakage sensor (mechanical seals chamber and stator housing) 1 signal
ø Bocca di scarico mm 200
Tipo di fluido Fognatura
Max. passaggio solidi mm 100
Valore massimo del pH 6-14
Portata massima l/min 18800
Prevalenza massima m 30
Potenza motore kW 45,0
Fase / Tensione Trifase / 400V / 50Hz
Monitoring double leakage sensor (mechanical seals chamber and stator housing) 1 signal
ø Bocca di scarico mm 300
Tipo di fluido Fognatura
Max. passaggio solidi mm 110
Valore massimo del pH 6-14
Portata massima l/min 23400
Prevalenza massima m 21.3
Potenza motore kW 37,0
Fase / Tensione Trifase / 400V / 50Hz
Monitoring double leakage sensor (mechanical seals chamber and stator housing) 1 signal
ø Bocca di scarico mm 300
Tipo di fluido Fognatura
Max. passaggio solidi mm 110
Valore massimo del pH 6-14
Portata massima l/min 25000
Prevalenza massima m 25.30
Potenza motore kW 45,0
Fase / Tensione Trifase / 400V / 50Hz
Monitoring double leakage sensor (mechanical seals chamber and stator housing) 1 signal
ø Bocca di scarico mm 300
Tipo di fluido Fognatura
Max. passaggio solidi mm 110
Valore massimo del pH 6-14
Portata massima l/min 27000
Prevalenza massima m 28,80
Potenza motore kW 55,0
Fase / Tensione Trifase / 400V / 50Hz
Monitoring double leakage sensor (mechanical seals chamber and stator housing) 1 signal
ø Bocca di scarico mm 300
Tipo di fluido Fognatura
Max. passaggio solidi mm 110
Valore massimo del pH 6-14
Portata massima l/min 33100
Prevalenza massima m 33
Potenza motore kW 90,0
Fase / Tensione Trifase / 400V / 50Hz
Monitoring double leakage sensor (mechanical seals chamber and stator housing) 1 signal
ø Bocca di scarico mm 300
Tipo di fluido Fognatura
Max. passaggio solidi mm 110
Valore massimo del pH 6-14
Portata massima l/min 35000
Prevalenza massima m 40
Potenza motore kW 132,0
Fase / Tensione Trifase / 400V / 50Hz
Monitoring double leakage sensor (mechanical seals chamber and stator housing) 1 signal
Generale
ø Bocca di scarico mm 100 - 300
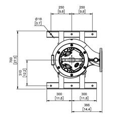
Tipo di raccordo DN 100 EN 1092-2, DN 150 EN 1092-2, DN 200 EN 1092-2, DN 300 EN 1092-2
Fluido di pompaggio
Tipo di fluido Fognatura
Temperatura Temperatura 0-40°C
Max. passaggio solidi mm 45 - 110
Valore massimo del pH 6-14
Portata massima l/min 2150 - 35000
Prevalenza massima m 10.10 - 40
Pompa
Componenti
Girante Open channel impeller
Tenuta meccanica Doppia tenuta meccanica in bagno d'olio
Materiale
Girante Fusione di ghisa grigia EN-GJL-250
Rivestimento Fusione di ghisa grigia EN-GJL-250
Piastra di aspirazione Fusione di ghisa grigia EN-GJL-250
Corpo pompa Fusione di ghisa grigia EN-GJL-250
Tenuta meccanica Carburo di silicio
Motore
Potenza motore kW 3,0 - 132,0
Tipo di avviamento diretto online, stella/triangolo
Tipo, Poli Motore a induzione, 4 poli, IP68, Motore a induzione, 6 poli, IP68
Isolamento Classe di isolamento H
Fase / Tensione Trifase / 400V / 50Hz
giri al minuto 980 - 1475
Protezione motore (integrata) bimetal thermal protectors (Klixon) in series
Monitoring double leakage sensor (mechanical seals chamber and stator housing) 1 signal
Corrente nominale 6.60 - 273.2
Materiale
Albero AISI 431
Cavo S1RN8F 7G1.5 + 3x1, S1RN8F 4G2.5 + 3x1, S1RN8F 7G4 + 3x1, S1RN8F 4G6 x 2, S1RN8F 4G10 x 2, S1RN8F 4G16 x 2, S1RN8F 4G50 x 2, S1RN8F 4G35 x 2
Lunghezza del cavo 10 metri
Altri
Peso a secco Kg 191 - 2046
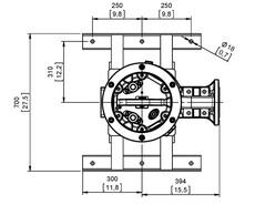
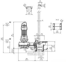
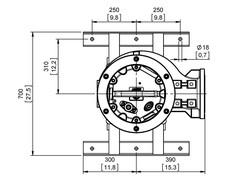
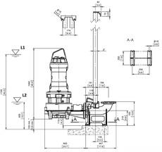
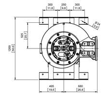
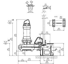
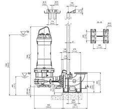
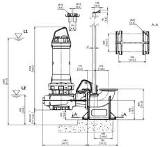
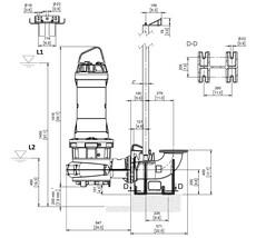
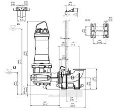
Dimensioni in mm
W1 : livello minimo aspirazione
  • 200BP637 -C430
W1 : livello minimo aspirazione
  • 150BP430 -F315
W1 : livello minimo aspirazione
  • 150BP422 -F290
W1 : livello minimo aspirazione
  • 150BP418.5 -A270
W1 : livello minimo aspirazione
  • 150BP411 -G246
W1 : livello minimo aspirazione
  • 100BP411 -F260
W1 : livello minimo aspirazione
  • 100BP47.5 -F230
W1 : livello minimo aspirazione
  • 100BP45.5 -F230
W1 : livello minimo aspirazione
  • 100BP44.0 -F200
W1 : livello minimo aspirazione
  • 100BP43.0 -F170
W1 : livello minimo aspirazione
  • 300BP6132 -D520
W1 : livello minimo aspirazione
  • 300BP690 -C477
W1 : livello minimo aspirazione
  • 300BP655 -B460
W1 : livello minimo aspirazione
  • 300BP645 -B435
W1 : livello minimo aspirazione
  • 300BP637 -B405
W1 : livello minimo aspirazione
  • 200BP645 -C460
ModelloA
100BP43.0 -F170-
100BP44.0 -F200-
100BP45.5 -F230-
100BP47.5 -F230-
100BP411 -F260-
150BP411 -G246-
150BP418.5 -A270-
150BP422 -F290-
150BP430 -F315-
200BP637 -C430-
200BP645 -C460-
300BP637 -B405-
300BP645 -B435-
300BP655 -B460-
300BP690 -C477-
300BP6132 -D520-
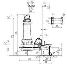
Dimensioni in mm
  • 150BP430 -F315
W1 : livello minimo aspirazione
  • 150BP422 -F290
W1 : livello minimo aspirazione
  • 150BP411 -G246
W1 : livello minimo aspirazione
  • 100BP411 -F260
W1 : livello minimo aspirazione
  • 100BP47.5 -F230
W1 : livello minimo aspirazione
  • 100BP45.5 -F230
W1 : livello minimo aspirazione
  • 100BP44.0 -F200
W1 : livello minimo aspirazione
  • 100BP43.0 -F170
W1 : livello minimo aspirazione
  • 150BP418.5 -A270
W1 : livello minimo aspirazione
  • 300BP6132 -D520
W1 : livello minimo aspirazione
  • 300BP690 -C477
W1 : livello minimo aspirazione
  • 300BP655 -B460
W1 : livello minimo aspirazione
  • 300BP645 -B435
W1 : livello minimo aspirazione
  • 300BP637 -B405
W1 : livello minimo aspirazione
  • 200BP645 -C460
W1 : livello minimo aspirazione
  • 200BP637 -C430
W1 : livello minimo aspirazione
ModelloA
100BP43.0 -F170-
100BP44.0 -F200-
100BP45.5 -F230-
100BP47.5 -F230-
100BP411 -F260-
150BP411 -G246-
150BP418.5 -A270-
150BP422 -F290-
150BP430 -F315-
200BP637 -C430-
200BP645 -C460-
300BP637 -B405-
300BP645 -B435-
300BP655 -B460-
300BP690 -C477-
300BP6132 -D520-

BP series represents the high-efficiency product line, to meet the growing demand for energy-saving and reliable pumping solutions. To achieve maximum overall efficiency and reduce energy consumption, the BP series is equipped with IE3 premium efficiency motors. The special conformation of the hydraulic part with open channel impeller ensures the expulsion of solids and prevents fouling of the impeller, even when handling contaminated or sludge-laden water with high solids content.

The BP series is perfectly suited for demanding applications such as: Recirculation of industrial and process waters, Civil lifting systems, Drainage and lifting of water from first rainfall tanks, etc...