GP

Energy efficient grinder pumps constructed with IE3 motors. Grinding mechanism ensures that fibrous foreign matter is crushed and sewage is transferred without clogging at high heads.

Dati tecnici
  • ø Bocca di scarico mm: 50
  • Tipo di fluido: Fognatura
  • Valore massimo del pH: 6-14
  • Portata massima l/min: 378 - 538
  • Prevalenza massima m: 43.8 - 63.2
  • Potenza motore kW: 5,5 - 11,0
  • Fase / Tensione: Trifase / 400V / 50Hz
Curva di prestazione
1 O
Specifiche
Model Colour code curve ø Bocca di scarico mm Tipo di fluido Valore massimo del pH Portata massima l/min Prevalenza massima m Potenza motore kW Fase / Tensione Monitoring
free standing with guide rail fitting
50GP25.5 -A180 TOS50GP25.5 -A180 1 50 Fognatura 6-14 378 43.8 5,5 Trifase / 400V / 50Hz double leakage sensor (mechanical seals chamber and stator housing) 1 signal
50GP27.5 -A190 TOS50GP27.5 -A190 2 50 Fognatura 6-14 385 50 7,5 Trifase / 400V / 50Hz double leakage sensor (mechanical seals chamber and stator housing) 1 signal
50GP211 -B222 TOS50GP211 -B222 3 50 Fognatura 6-14 538 63.2 11,0 Trifase / 400V / 50Hz double leakage sensor (mechanical seals chamber and stator housing) 1 signal
ø Bocca di scarico mm 50
Tipo di fluido Fognatura
Valore massimo del pH 6-14
Portata massima l/min 378
Prevalenza massima m 43.8
Potenza motore kW 5,5
Fase / Tensione Trifase / 400V / 50Hz
Monitoring double leakage sensor (mechanical seals chamber and stator housing) 1 signal
ø Bocca di scarico mm 50
Tipo di fluido Fognatura
Valore massimo del pH 6-14
Portata massima l/min 385
Prevalenza massima m 50
Potenza motore kW 7,5
Fase / Tensione Trifase / 400V / 50Hz
Monitoring double leakage sensor (mechanical seals chamber and stator housing) 1 signal
ø Bocca di scarico mm 50
Tipo di fluido Fognatura
Valore massimo del pH 6-14
Portata massima l/min 538
Prevalenza massima m 63.2
Potenza motore kW 11,0
Fase / Tensione Trifase / 400V / 50Hz
Monitoring double leakage sensor (mechanical seals chamber and stator housing) 1 signal
Generale
ø Bocca di scarico mm 50
Tipo di raccordo Filettatura interna, flangia
Fluido di pompaggio
Tipo di fluido Fognatura
Temperatura Temperatura 0-40°C
Valore massimo del pH 6-14
Portata massima l/min 378 - 538
Prevalenza massima m 43.8 - 63.2
Pompa
Componenti
Girante Meccanismo di macinazione
Tenuta meccanica Doppia tenuta meccanica in bagno d'olio
Materiale
Girante Fusione di ghisa grigia EN-GJL-250
Rivestimento Fusione di ghisa grigia EN-GJL-250
Piastra di aspirazione Chromium steel - X102 CrMo17 KU
Corpo pompa Fusione di ghisa grigia EN-GJL-250
Tenuta meccanica Carburo di silicio
Motore
Potenza motore kW 5,5 - 11,0
Tipo di avviamento diretto online
Tipo, Poli Motore a induzione, 2 poli, IP68
Isolamento Classe di isolamento H
Fase / Tensione Trifase / 400V / 50Hz
giri al minuto 2905 - 2914
Protezione motore (integrata) bimetal thermal protectors (Klixon) in series
Monitoring double leakage sensor (mechanical seals chamber and stator housing) 1 signal
Corrente nominale 10.2 - 20
Materiale
Albero AISI 431
Cavo S1RN8F 4G4 + 3x1, S1RN8F 4G2.5 + 3x1
Lunghezza del cavo 10 metri
Altri
Peso a secco Kg 118 - 143
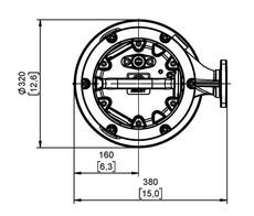
Dimensioni in mm
W1 : livello minimo aspirazione
  • 50GP27.5 -A190
W1 : livello minimo aspirazione
  • 50GP25.5 -A180
W1 : livello minimo aspirazione
  • 50GP211 -B222
ModelloA
50GP25.5 -A180-
50GP27.5 -A190-
50GP211 -B222-
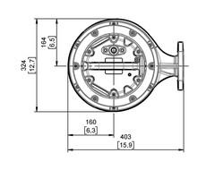
Dimensioni in mm
  • 50GP25.5 -A180
W1 : livello minimo aspirazione
  • 50GP27.5 -A190
W1 : livello minimo aspirazione
  • 50GP211 -B222
W1 : livello minimo aspirazione
ModelloA
50GP25.5 -A180-
50GP27.5 -A190-
50GP211 -B222-

GP series is a high-efficiency grinder pump with premium efficient IE3 motor. Designed for sewage applications requiring high delivery heads and low flow rates, the GP series operates effectively even with small pipe diameters.

Its advanced grinding system - featuring a rotary knife and stationary cutting ring - shreds solids into fine particles, enabling smooth and clog-free pumping. The hydraulics are constructed with a durable multi-channel open impeller, and the special conformation of the hydraulic part ensures the efficient expulsion of solids while preventing impeller fouling. Suitable application for example; Soiled liquids containing fibres and filaments, Professional and heavy-duty applications, etc...