UP

Reduced energy consumption sewage pumps with IE3 motors. Its anti blockage design with vortex impeller leads to big free passage.

Dati tecnici
  • ø Bocca di scarico mm: 80 - 100
  • Tipo di fluido: Fognatura
  • Max. passaggio solidi mm: 60 - 100
  • Valore massimo del pH: 6-14
  • Portata massima l/min: 1100 - 3320
  • Prevalenza massima m: 8,80 - 19.1
  • Potenza motore kW: 3,0 - 7,5
  • Fase / Tensione: Trifase / 400V / 50Hz
Curva di prestazione
1 O
2 O
Specifiche
Model Colour code curve ø Bocca di scarico mm Tipo di fluido Max. passaggio solidi mm Valore massimo del pH Portata massima l/min Prevalenza massima m Potenza motore kW Fase / Tensione Monitoring
free standing with guide rail fitting
80UP43.0 -C165 TOS80UP43.0 -C165 1 80 Fognatura 65 6-14 2040 8,80 3,0 Trifase / 400V / 50Hz double leakage sensor (mechanical seals chamber and stator housing) 1 signal
80UP44.0 -D210 TOS80UP44.0 -D210 2 80 Fognatura 60 6-14 1100 15.7 4,0 Trifase / 400V / 50Hz double leakage sensor (mechanical seals chamber and stator housing) 1 signal
80UP45.5 -D220 TOS80UP45.5 -D220 3 80 Fognatura 60 6-14 2430 16.6 5,5 Trifase / 400V / 50Hz double leakage sensor (mechanical seals chamber and stator housing) 1 signal
80UP47.5 -D235 TOS80UP47.5 -D235 4 80 Fognatura 60 6-14 2660 19.1 7,5 Trifase / 400V / 50Hz double leakage sensor (mechanical seals chamber and stator housing) 1 signal
100UP44.0 -B190 TOS100UP44.0 -B190 5 100 Fognatura 100 6-14 2320 11.4 4,0 Trifase / 400V / 50Hz double leakage sensor (mechanical seals chamber and stator housing) 1 signal
100UP45.5 -B210 TOS100UP45.5 -B210 6 100 Fognatura 100 6-14 2740 14.3 5,5 Trifase / 400V / 50Hz double leakage sensor (mechanical seals chamber and stator housing) 1 signal
100UP47.5 -B220 TOS100UP47.5 -B220 7 100 Fognatura 100 6-14 3320 16 7,5 Trifase / 400V / 50Hz double leakage sensor (mechanical seals chamber and stator housing) 1 signal
ø Bocca di scarico mm 80
Tipo di fluido Fognatura
Max. passaggio solidi mm 65
Valore massimo del pH 6-14
Portata massima l/min 2040
Prevalenza massima m 8,80
Potenza motore kW 3,0
Fase / Tensione Trifase / 400V / 50Hz
Monitoring double leakage sensor (mechanical seals chamber and stator housing) 1 signal
ø Bocca di scarico mm 80
Tipo di fluido Fognatura
Max. passaggio solidi mm 60
Valore massimo del pH 6-14
Portata massima l/min 1100
Prevalenza massima m 15.7
Potenza motore kW 4,0
Fase / Tensione Trifase / 400V / 50Hz
Monitoring double leakage sensor (mechanical seals chamber and stator housing) 1 signal
ø Bocca di scarico mm 80
Tipo di fluido Fognatura
Max. passaggio solidi mm 60
Valore massimo del pH 6-14
Portata massima l/min 2430
Prevalenza massima m 16.6
Potenza motore kW 5,5
Fase / Tensione Trifase / 400V / 50Hz
Monitoring double leakage sensor (mechanical seals chamber and stator housing) 1 signal
ø Bocca di scarico mm 80
Tipo di fluido Fognatura
Max. passaggio solidi mm 60
Valore massimo del pH 6-14
Portata massima l/min 2660
Prevalenza massima m 19.1
Potenza motore kW 7,5
Fase / Tensione Trifase / 400V / 50Hz
Monitoring double leakage sensor (mechanical seals chamber and stator housing) 1 signal
ø Bocca di scarico mm 100
Tipo di fluido Fognatura
Max. passaggio solidi mm 100
Valore massimo del pH 6-14
Portata massima l/min 2320
Prevalenza massima m 11.4
Potenza motore kW 4,0
Fase / Tensione Trifase / 400V / 50Hz
Monitoring double leakage sensor (mechanical seals chamber and stator housing) 1 signal
ø Bocca di scarico mm 100
Tipo di fluido Fognatura
Max. passaggio solidi mm 100
Valore massimo del pH 6-14
Portata massima l/min 2740
Prevalenza massima m 14.3
Potenza motore kW 5,5
Fase / Tensione Trifase / 400V / 50Hz
Monitoring double leakage sensor (mechanical seals chamber and stator housing) 1 signal
ø Bocca di scarico mm 100
Tipo di fluido Fognatura
Max. passaggio solidi mm 100
Valore massimo del pH 6-14
Portata massima l/min 3320
Prevalenza massima m 16
Potenza motore kW 7,5
Fase / Tensione Trifase / 400V / 50Hz
Monitoring double leakage sensor (mechanical seals chamber and stator housing) 1 signal
Generale
ø Bocca di scarico mm 80 - 100
Tipo di raccordo DN 100 EN 1092-2, DN 80 EN 1092-2
Fluido di pompaggio
Tipo di fluido Fognatura
Temperatura Temperatura 0-40°C
Max. passaggio solidi mm 60 - 100
Valore massimo del pH 6-14
Portata massima l/min 1100 - 3320
Prevalenza massima m 8,80 - 19.1
Pompa
Componenti
Girante Girante a vortice
Tenuta meccanica Doppia tenuta meccanica in bagno d'olio
Materiale
Girante Fusione di ghisa grigia EN-GJL-250
Rivestimento Fusione di ghisa grigia EN-GJL-250
Piastra di aspirazione Fusione di ghisa grigia EN-GJL-250
Corpo pompa Fusione di ghisa grigia EN-GJL-250
Tenuta meccanica Carburo di silicio
Motore
Potenza motore kW 3,0 - 7,5
Tipo di avviamento diretto online, stella/triangolo
Tipo, Poli Motore a induzione, 4 poli, IP68
Isolamento Classe di isolamento H
Fase / Tensione Trifase / 400V / 50Hz
giri al minuto 1450 - 1460
Protezione motore (integrata) bimetal thermal protectors (Klixon) in series
Monitoring double leakage sensor (mechanical seals chamber and stator housing) 1 signal
Corrente nominale 6.60 - 14.50
Materiale
Albero AISI 431
Cavo S1RN8F 4G2.5 + 3x1, S1RN8F 7G1.5 + 3x1
Lunghezza del cavo 10 metri
Altri
Peso a secco Kg 148 - 218
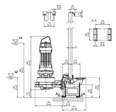
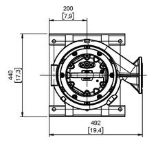
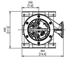
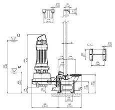
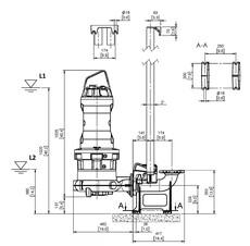
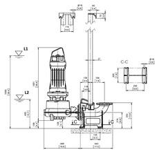
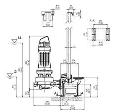
Dimensioni in mm
W1 : livello minimo aspirazione
  • 80UP44.0 -D210
W1 : livello minimo aspirazione
  • 80UP43.0 -C165
W1 : livello minimo aspirazione
  • 80UP45.5 -D220
W1 : livello minimo aspirazione
  • 80UP47.5 -D235
W1 : livello minimo aspirazione
  • 100UP44.0 -B190
W1 : livello minimo aspirazione
  • 100UP45.5 -B210
W1 : livello minimo aspirazione
  • 100UP47.5 -B220
ModelloA
80UP43.0 -C165-
80UP44.0 -D210-
80UP45.5 -D220-
80UP47.5 -D235-
100UP44.0 -B190-
100UP45.5 -B210-
100UP47.5 -B220-
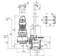
Dimensioni in mm
  • 80UP43.0 -C165
W1 : livello minimo aspirazione
  • 80UP44.0 -D210
W1 : livello minimo aspirazione
  • 80UP45.5 -D220
W1 : livello minimo aspirazione
  • 80UP47.5 -D235
W1 : livello minimo aspirazione
  • 100UP44.0 -B190
W1 : livello minimo aspirazione
  • 100UP45.5 -B210
W1 : livello minimo aspirazione
  • 100UP47.5 -B220
W1 : livello minimo aspirazione
ModelloA
80UP43.0 -C165-
80UP44.0 -D210-
80UP45.5 -D220-
80UP47.5 -D235-
100UP44.0 -B190-
100UP45.5 -B210-
100UP47.5 -B220-

UP series combines the proven advantages of vortex hydraulics with enhanced energy efficiency, thanks to the integration of high-performance IE3 motors.

Its vortex impeller and full free passage construction allow for safe and reliable handling of wastewater containing solids and fibrous materials which this pump be suitable for: Biological liquids and wastewater, Civil and industrial lifting, Wastewater treatment plants and livestock farms, etc...